# Week 10: Output Devices, or My Board Cooperates For Once
Back to Home
This week we had to incorporate an output device into our electronic circuit boards. Since I hadn’t completely gotten last week’s input device to work yet, I figured I would incorporate something simple into the dielectric spectrometer for my output. An LED suited this purpose very well: simple to use and was a natural fit as an indicator. I didn’t just want to use the single-color LEDs I’d used previously, so I acquired a few  RGB LEDs  from the Architecture shop that can produce every color in the rainbow by toggling the values of separate R, G, and B LEDs contained within.
### Design 
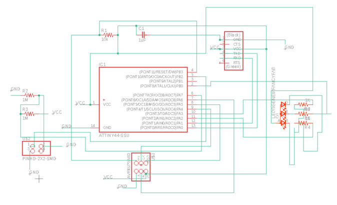
I followed Neil’s configuration: since the RGB LED we had had a common anode setup, I powered it through the ATtiny44’s VCC and grounded each LED pin to a different t44 pin. Everything else I kept the same from the week before.
 It took ages to figure out how to route everything because I only had two pins free on each side, and I needed three for the three RGB pins.
It took ages to figure out how to route everything because I only had two pins free on each side, and I needed three for the three RGB pins. 

 I used 15mil width for the traces and 18mil clearance, and didn’t have to do any post-processing (at least not to remove unwanted connections; I had to do a ton of demurring, and there were a lot of copper flakes left. I don’t think PCB was secured to the plate very well, since one side of my board seemed to have deeper etchings than the other).
I was too lazy to go bother Zach to show me how to use the solder paste for the tiny pads on the RGB LED, but the soldering iron still worked just fine.
### Testing
I started with Neil’s code, changing the pin numbers and port/direction settings (PORTA vs PORTB, DDRA vs DDRB) for each pin as appropriate for my board. Miracles of all miracles, everything went without a hitch on it worked on the first try:
By this point I’d been pretty fed up with trying to decipher C code, and I figured that I’d be much more likely to use the Arduino IDE for my final project. Google happily provided me demo Arduino code for the RGB LED, and, making sure to switch the clock setting to “Internal 8MHz”, compiling and uploading went smoothly and this also worked.
I used 15mil width for the traces and 18mil clearance, and didn’t have to do any post-processing (at least not to remove unwanted connections; I had to do a ton of demurring, and there were a lot of copper flakes left. I don’t think PCB was secured to the plate very well, since one side of my board seemed to have deeper etchings than the other).
I was too lazy to go bother Zach to show me how to use the solder paste for the tiny pads on the RGB LED, but the soldering iron still worked just fine.
### Testing
I started with Neil’s code, changing the pin numbers and port/direction settings (PORTA vs PORTB, DDRA vs DDRB) for each pin as appropriate for my board. Miracles of all miracles, everything went without a hitch on it worked on the first try:
By this point I’d been pretty fed up with trying to decipher C code, and I figured that I’d be much more likely to use the Arduino IDE for my final project. Google happily provided me demo Arduino code for the RGB LED, and, making sure to switch the clock setting to “Internal 8MHz”, compiling and uploading went smoothly and this also worked.