š§ SmartPi Agentic Assistant
š§© Overview

SmartPi Agentic Assistant is a compact, low-power personal assistant built on the Raspberry Pi Pico W, using large language models (LLMs) to convert raw digital data ā from your calendar, email, weather feeds, or news sources ā into concise text for a 64Ć64 display, and natural speech via a small speaker.
It bridges the physical world of sensors, displays, and sound with the reasoning power of LLMs, creating a modular platform for context-aware, ambient intelligence at the edge. Think of it as a pocket-sized digital public infrastructure node ā open, extensible, and locally controllable.

š§® System Design (High-Level)

Hardware (HW)
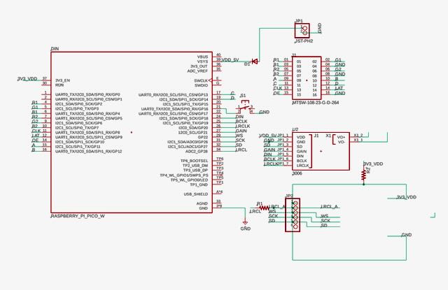
- SmartPi enclosure: Pico W carrier + 64Ć64 RGB matrix, mic, speaker (3D-printed box).
- Connectivity: Wi-Fi ā router; USB tether to user laptop for debug/flash.
Networking
- Device ā local gateway over HTTP/WebSocket.
- Gateway ā cloud services for LLMs and APIs.
Software (SW)
- Agentic workflow: task orchestration (e.g., daily briefing pipeline).
- n8n (or similar) for low-code glue and triggers.
- SmartPi MCP client (Model Context Protocol) to expose device tools to LLMs.
- LLM for summarization, intent routing, tool use.
- Servers/tools: Calendar, Email, Weather, and other MCP tools.
- Cloud LLMs: interchangeable providers (OpenAI, Google, etc.).
Everything is modular: swap LLM providers, add new tools/servers, or change workflows without touching device firmware.
š§± Core Goals
- Useful Daily Information
- Display calendar appointments, reminders, and tasks on a 64Ć64 RGB matrix.
- Fetch weather from APIs and visualize with icons and short text.
- Summarize news headlines or personal alerts and read them aloud via a speaker.
- Conversational & Context-Aware
- Use a microphone + speaker for two-way interactions.
- LLMs process queries and return outputs optimized for the small display and voice.
- Expandable & Modular
- Plug in new "capability modules": email summarizer, IoT control, daily-focus coach.
- Simple plugin architecture so developers can add new use-cases.
š§° Hardware Setup
Component | Purpose |
---|---|
Raspberry Pi Pico W | Wi-Fi-enabled MCU for data fetch + gateway integration |
64Ć64 RGB LED Matrix | Display for calendar, icons, and visual feedback |
I²S / PWM Speaker | Audio output for speech synthesis |
Microphone (I²S / analog) | Optional voice input for interactions |
Sensors (DHT11, LDR, PIR) | Environmental awareness |
š§ Software Architecture
- Microcontroller Layer (Pico W)
- MicroPython or C++ SDK: LED rendering, I/O, Wi-Fi client.
- Talks to the gateway via lightweight HTTP/WebSocket.
- Integration Layer (Local Gateway)
- Runs on Pi Zero/4 or a small server.
- Handles OAuth/API auth for Calendar, Email, Weather.
- Hosts agentic pipelines (e.g., n8n) and the SmartPi MCP client.
- LLM Layer
- Interchangeable LLM providers for summarization, intent routing, tool calls.
- Generates both short text for the LED matrix and TTS text for audio.
šŖ Example Use-Cases
š Calendar Display
- Pulls events from Calendar APIs.
- LLM summarizes: "Next meeting at 10 AM ā AI team sync."
- LED Matrix scrolls summary + color-coded day icon.
š¦ Weather Update
- Fetches weather JSON.
- LLM: "27 °C and sunny, slight breeze."
- Shows a sun icon and numeric temp.
š° News Headlines
- Retrieves RSS/News APIs and shortens three key headlines.
- Speaker reads them aloud in a chosen voice.
āļø Future Expansion Ideas
- Voice assistant mode: "What's on my schedule today?"
- Smart notifications: subtle glow when new email arrives.
- IoT integration: control home devices via LLM intents.
- Local caching: low-power offline fallback for time/weather.
- Companion app: configure sources, prompts, and themes.
š Why It Matters
Applies Digital Public Infrastructure principles ā openness, modularity, interoperability ā to edge AI. It's a step toward human-centric, interpretable intelligence that lives in your space, not locked away in a cloud tab.
š Open Questions / Next Steps
- Best lightweight bridge Pico W ā gateway ā LLMs (Pi Zero relay vs ESP32 proxy)?
- What open-source projects already explore "ambient LLM assistants"?
- How to standardize a plugin system for adding new MCP tools quickly?