Week 5

PCB Milling and Fabrication

Introduction

This week focused on electronics design using EDA (Electronic Design Automation) tools. The assignment required us to simulate a circuit, design an embedded microcontroller system using parts from the lab inventory, and check design rules for fabrication.

I designed a PCB for a distance sensor system using the VL53L1X Time-of-Flight sensor and an ESP32-S3 microcontroller. This board would eventually become part of my hydration monitoring system. The process involved:

  • Creating a schematic in Autodesk Fusion 360 Electronics
  • Designing the PCB layout with proper trace routing
  • Running Design Rule Checks (DRC) to ensure manufacturability
  • Checking electrical rule compliance (ERC)
  • Generating files for milling on the Bantam Tools machine

Pictures

Recitation

  • Using the OTHERMILL milling machine, you can switch out the tool bits for different tasks:
    • Small tool bit: 1/64 inch (for fine details)
    • Large tool bit: 1/32 inch (for larger cuts)
  • Cut the outline after completing all the small machining for better stability.
  • Tightening the tool bit when it is not fully in the shaft is less effective; tools are stored in the red box.
  • The machine verifies the tool position by touching the bed first (default moves to the top right, so boards are left-justified on the bottom edge).
  • Copper boards are 1.6mm thick, the standard thickness of copper stock (1 oz per square foot).
  • Safe jobs: You don't need to stay near the bed during operation.
  • Engraving bits have variable cut widths based on cut depth.
  • No overlapping tape on the back side of the board.
  • Minimum trace width the machine can cut: 0.009mm.
How to Make a Double-Sided Board
  • Use a rivet (tiny red piece with a circle on the end) to connect the two copper plates by smashing it into a hole.
  • For double-sided boards, use the fixture and locate feature:
    • The fixture is a U-shaped bracket you screw in to locate the board.

Software

  • Using Bantam software for PCB milling.
  • Three types of milling: holes, outline, and traces (set the tool for each type).
  • 1/32 inch tool for holes and outline.
  • 1/64 inch tool for traces.
UI Notes
  • Red areas on the design indicate parts the selected tool cannot cut.
  • White lines in the traces visualize the path of the selected tool.

Group Assignment Notes

  • Input to Bantam software: Gerber file or .brd (Fusion 360).
  • Input settings: Plated Through Holes, Front & Bottom Copper, Etched Cuts.
  • Sending a board to a board house: JLCPCB.

Individual Assignment: Electronics Design

Schematic Design in Fusion 360

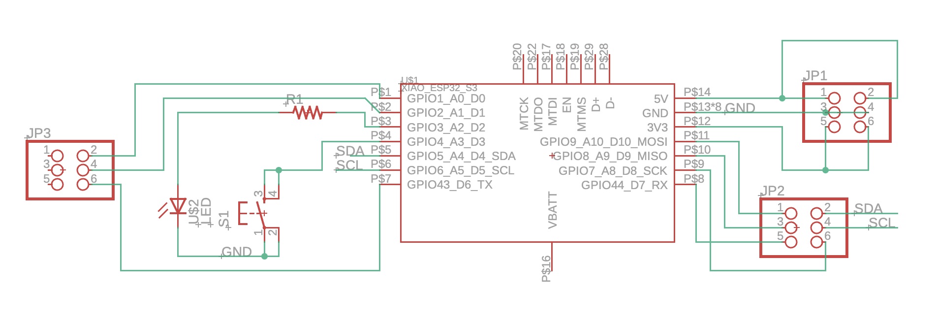
I used Autodesk Fusion 360 Electronics as my EDA tool to design the schematic. The circuit consists of:

  • ESP32-S3 XIAO microcontroller - Main processor with WiFi/BLE
  • VL53L1X Time-of-Flight sensor - I2C distance measurement (up to 4m range)
  • Decoupling capacitors - 100nF and 10µF for power stability
  • Pull-up resistors - 4.7kΩ on I2C lines (SDA, SCL)
  • Programming headers - For USB connection and debugging
Complete schematic for VL53L1X distance sensor board
Complete schematic showing ESP32-S3, VL53L1X sensor, and supporting components

PCB Layout Design

After completing the schematic, I designed the PCB layout following best practices:

  • Component placement: ESP32 module centered, sensor at edge for clear line-of-sight
  • Trace routing: Kept I2C traces (SDA/SCL) short and parallel to minimize noise
  • Ground plane: Used copper pour for solid ground connection
  • Power distribution: Wide traces (0.020") for 3.3V power
  • Keepout zones: Maintained clearance around ESP32 antenna area
PCB layout before copper pour
PCB layout showing trace routing before copper pour
PCB layout with copper pour
Final PCB layout with ground plane copper pour

Design Rule Check (DRC)

Before fabrication, I ran the Design Rule Check in Fusion 360 to ensure the board met manufacturing constraints for the Bantam Tools mill:

  • Minimum trace width: 0.010" (well above 0.009" mill capability)
  • Minimum clearance: 0.010" between traces
  • Via size: 0.024" holes with 0.040" pads
  • No acute angles: All traces have gentle curves
  • No isolated copper: All pours connected to ground net

The DRC passed with no errors, confirming the design was manufacturable on our equipment.

Fabrication & Assembly

I milled the board using the Bantam Tools Desktop PCB mill with a 1/64" end mill for traces and a 1/32" end mill for the outline. After milling, I soldered all components including the ESP32-S3 module, VL53L1X sensor, capacitors, resistors, and pin headers.

Milled and populated PCB
Finished board with all components soldered

Testing

After assembly, I programmed the ESP32-S3 via USB and tested the VL53L1X sensor using the Adafruit library. The sensor successfully measured distances from 5cm to 400cm with good accuracy. This board later became the sensing module for my final project's water bottle monitoring system.

Links