Ryan Hoffman's HTMAA Site

Week 10: Machine Week

Project Plan

The Architecture section is trying to build a Ouija board that has a core XY gantry underneath it. The end effector on the gantry has electromagnets which control what is known as the planchette, the triangle that the user interacts with. The goal is to control the planchette from underneath the table to make it seem as though there is actually a spirit controlling the board.

I got assigned as the gantry team lead which I was pretty excited about. I've wanted to make a gantry for a while and so I was excited by the opportunity. It is also super cool that Ilan designed the first core xy ever made and so I was looking forward to getting his feedback throughout the process.

I started by checking out the mechanisms that they had available on the website. They had a linear motion and a rotational motion system availabe. Unfortunatley they did not have a core xy model so I'd have to do most of the design myself. The linear actuator model that they had did have some useful components though, the most relvant was the carriage with the flexure in it. The flexure enables the carriage to flex around the v-groove slot and have a smooth sliding motion. with the flexure so as to apply clamping force to the wheels that roll in the v-groove.

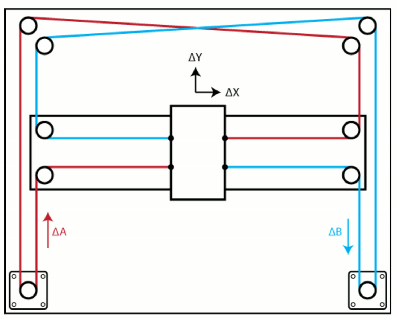
To figure out everything that I would have to model, I looked up the standard layout of the core xy gantry. I found it here on the core xy website, all credit goes to Ilan Moyer. Here is a diagram for the belt layout that I wanted to try and follow:

Core xy model
From the diagram, I immediately saw an opportunity for simplification through the symmetry of the design. I figured that if I was careful, I would be able to design only four main components to complete the design: the motor mount, the pulley mounts in the back, the side carriages, and the main carriage.

Design of the End Effector Carriage

Complete EndEffector

This was the component that required the least modification from the provided designs.

Original Carriage Model
There were two main changes that I needed to implement. The first was to enable the connection of the end effector from the endeffector group. The second was to make it possible to attach a second belt to the carriage at a different height so as to accomodate both belts.

For the end effector, I wanted a super simple system so that the team could easily modify their model and it still fit perfectly fine on the end effector. The original plan for the end effector was to use electromagnets that they got from Anthony. I designed the mounting bracket to hold down the electromagnets. After some testing, however, the end effector team moved to permanent magnets. Even though the system changed, they were able to quickly design a new bracket and mount it to the end effector carriage.

End Effector Mount
To enable the mounting of the second belt. I had to first determine, generally, where I wanted the second belt to be. I figured the simplest would be to flip the motor bracket and have the belt run on the opposite side of the gantry system, symmetric to the first. With that determined, I figured the simplest way to enable the mounting would be by bringing the carriage also to below the v-groove as opposed to simply on top of it.
Carriage on both sides
With the carriage on both the top and bottom of the extrusion, I was able to move on to the connection system. The plan was to simply clamp the belt with a part that would interlock with its teeth to remove any chance of slipage. To start, I was able to pull a part from the provided model that had the teeth to clamp the belt.
Original Clamp Model Provided
There were two different clamping designed needed becasue on one side of the carraige, the teeth are facing out and on the other, the teeth are facing in. To deal with this, I designed one clamp to have the teeth on the clamp itself and the other was actually a smooth face and the teeth would be directly on the carriage. I also had to make one of the clamps smaller so as to avoid interfereing with the flexure on the upper and lower parts of the carriage.
Flat Clamp Recieves Flat Clamp Short Clamp

Design of the Side Carriage

Complete Side Carriage

I started with the base model that we were given with the flexure. I flipped the model so that the top face would sit perpendicular to the xy plane. I wanted to design the pulleys in the carriage and then I could design everything else around them. I knew the height that the belt needed to run at from when I designed the effector carriage and thus had my starting point. I looked at the available CAD that we were provided but it wouldn't connect very well to the existing design but I did grab the pulleys and washer which proved useful for scaling the model and ensuring a tight fit. The design I came up with wasn't super complicated. I wanted to print one part where a bolt could run through and hold the rollers inplace.

Pulley
To mount the pulley to the carriage, I cut a rectangular hole in the carriage in opposite corners that the pulley could slide into and have bolts run through to secure it in place.
Mounted Pulley
With the pulleyes mounted, I then added a way to mount the extrusion to the carriage itself. To do this, I projected the extrusion onto the face of the carriage and made an offset from the projection. I then extruded the face between the projection and the offset which would hold the extrusion. I also then added holes in the middle of the extrusion to enable the use of t-nuts to lock the extrusion in place once it was inserted into the carriage.
Carriage with Extrusion
The next part was to add a limit switch to the carriages. To do this, I went into the provided files and pulled the limit switch that we were provided. I then aligned it with the top of the part that would hold the v-groove extrusion. I projected the holes in the limit switch onto the carriage and extruded them so we could bolt it in place.
Limit Switch Mounted
The final thing to do was to cut holes through the carriage to enable the belts to run through it, a neccesary part of the design. To do this, I looked at the size of the toothed gear that we would mount to the motor to drive the system and then chose an offset from the mounted pulley based on that. I then just extruded a hole through the entire carriage. With the goal of making the parts univeral, I also put an identical hole by the lower pulley.
Holes for belts

Design of the Motor Mounts

This part needs to serve two purposes. It needs to mount the motor to the frame, but it also needs to hold the frame together, ie. fix the extrusions that the side carriages are moving along to the front and back extrusions ensurign structural integrity. I started by focusing on how to fix the frame together. Similiar to what I did on the side carriage, I projected the face of the extrusion onto a sketch and began modeling around it, using an offset then extrusion to create the starting body and the hole that the extrusion would go in. I then did the same thing rotated 90 degrees to achieve the corner bracket. After that, I imported a Nema 17 stepper motor and projected its face onto a sketch to design body with the mounting holes for the motor.

Simple Motor Mount
I then added a hole in both the top and bottom on each extrusion so we could use t-nuts to connect the brackets to the extrusion. I also then added holes to mount a limit switch to the top of the bracket so we could home the gantry. I then wanted to split the bracket in half along the middle of the extrusion so that it would be easier to mount and also easier to print. I also added a second hole for each extrusion to improve the overall strength of the bracket.

Motor Mount With Holes
The final addition was to the top half of the bracket, the side where the motor wasn't mounted. From the tension in the belts, there would be a good amount of torque applied to the shaft of the motor, bending the motor mounting bracket. To add support, I modified the top half to wrap around the motor and hold it in place.
Motor Mount with Brace

Design of the Pulley Mounts

The last part that had to be designed was the pulley brackets in the back of the gantry. This also had to serve double duty, fixing the frame together while also enabling the belts to run around the gantry. I again started by trying to join the extrusions together. To start, I took the basic model that I had when I was starting the motor mount and modified that.

Simple Extrusion Bracket
With that, I began focusing on the location of the belt rollers and trying to determine where they needed to be placed so that the belts could run straight. Having already designed all of the other brackets, I was able to determine the location that they needed to be by usign the inspect tool, the dimensions of the pulley, and projection.

I wanted to make the design simple and have to print as few pieces as possible and so I chose to design it so that the rollers could be slid in and bolted into place, no additional parts needed. With that in mind, I implemented the first roller mount on the top side of the bracket.
Back Corner Top Roller Bracket
To implement the roller bracket on the bottom, actually used the split feature in fusion to duplicate the general shape of the bracket on the top and bring it to the bottom side. With the general shape, there, all I needed to do was move the location of the hole so that the pulley would sit in the correct place allowing the belt to be aligned correctly.
Both Rollers
To finish it up, I also split this model through the xy plane so taht it would be easier to print and easier to attach to the extrusions. One of the additional benefits of splitting it meant that we could inset nuts for the bolts holding the rollers in place to screw into.
Hole for the nut to be inserted

Final Model

With all of the components designed, I was able to use the align feature in fusion to put it all together. The concept team asked for an accessible area of 18x18" and so I just had to change the length of the extrusion to fit their volume.

Motor Mount with Brace